钢板梁绘图软件支持工字钢结构与混凝土桥面板的组合形式;
支持变宽等结构引起的系梁尺寸、桥面板尺寸变化;
支持绘制钢结构部分的立面图、平面图、断面图;绘制桥面板构造图、钢筋图、工程量统计。
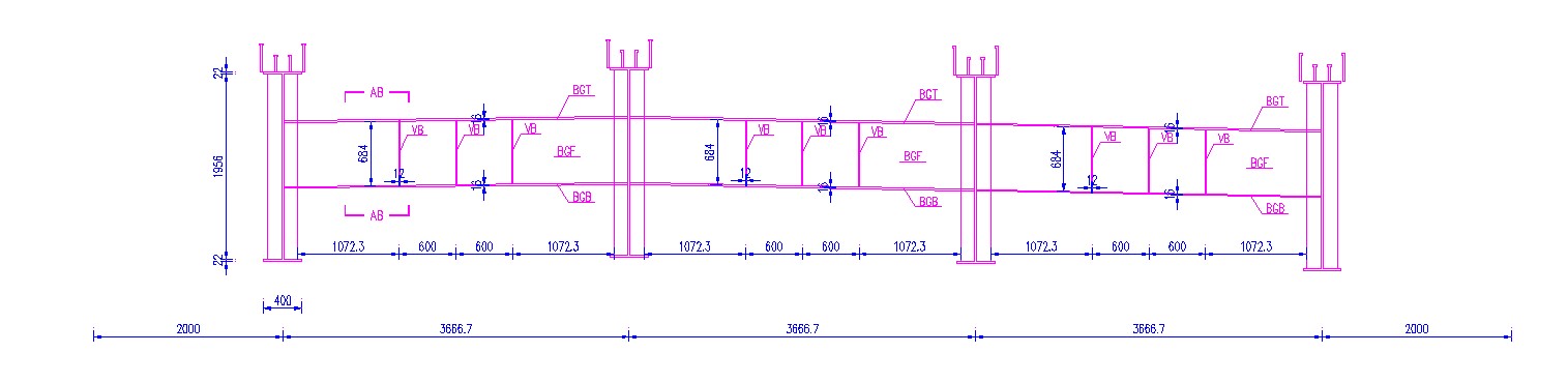
立面图

顶板平面图

标准横断面图
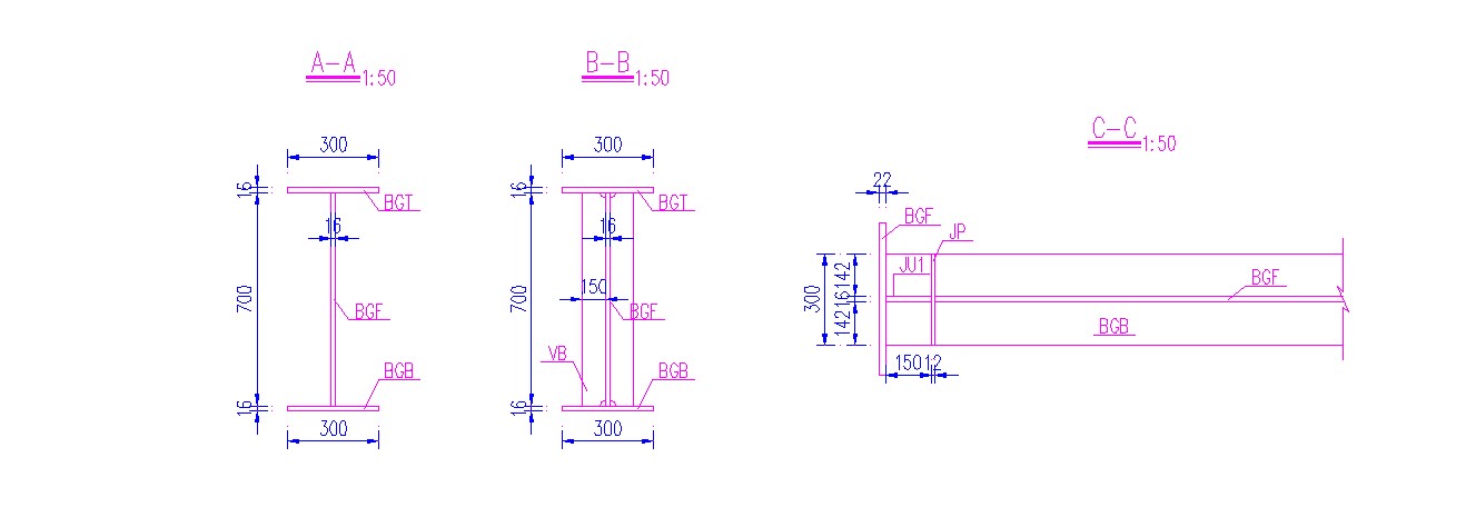
系梁处横断面图
混凝土板钢筋布置图
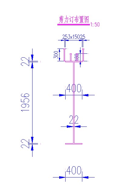
系梁布置图
小横梁平面图
大样图
