详细设计绘图软件

XBOX-3D波纹钢腹板深化详图软件

概述

波纹钢腹板深化详图软件适用于波纹钢箱梁,通过参数快速填写参数,一键绘制波纹钢腹板深化详图;

快速绘制钢桥总拼图、单元件图、零件图、胎架图、材料表等。

出图展示

总拼图

    顶底板总拼图




顶底板展开图






    腹板展开图






    腹板节段划分图










    顶板节段划分图














    底板节段划分图








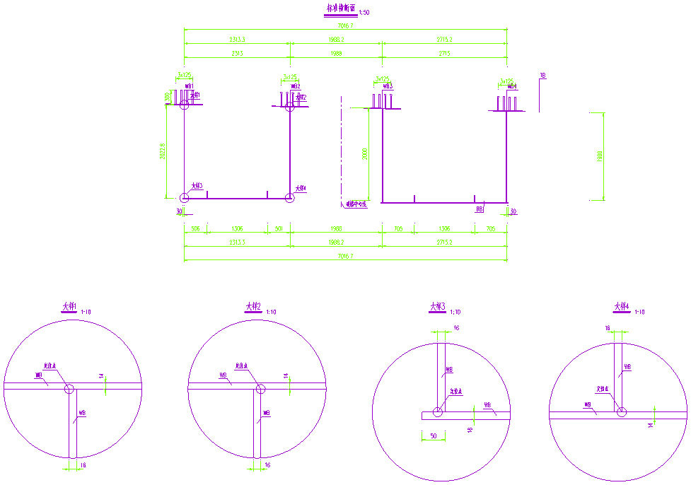
    标准横断面



    实腹式横隔板








    坐标图



    三维图






在线咨询
Copyright © 2019-2020 www.qiaoyoutec.com 桥友信息科技 版权所有 苏ICP备19027270号 苏公网安备32050502012713号,未经同意,不得转载! 技术支持:叁点零网络
版权所有:苏州桥友信息科技有限公司
 
QQ群咨询
咨询热线
0512-62697703